Skip to content Skip to sidebar Skip to footer

Ford Pats System Wiring Diagram

Ford Pats Transceiver Wiring Ford Truck Enthusiasts Forums

Ford Pats Transceiver Wiring Ford Truck Enthusiasts Forums

Ford pats system wiring diagram. Ford Pats System Wiring Diagram wiring diagram is a simplified agreeable pictorial representation of an electrical circuit. For instance when a module is powered up and it also sends out a signal of 50 percent the voltage plus the technician does not know this he would think he has a challenge as he or she would expect a 12V signal. Make models pats ecu 2 ford fiesta fusion eu 2002 ipc fiesta fusion eu 2008 uds ipc transit 2006 uds bcm transit connect 2007 ipc.

Does your Pats system consist of the keyhalo for the ignition. 1997 Ford Pickup F350 Cruise Control Circuit System Wiring Diagram Diagram Ford Pickup System. New Bmw E46 Pdc Wiring Diagram Diagram Diagramtemplate Diagramsample Sony Car Stereo Car Stereo Car Stereo Systems.

Ford Pats Wiring Diagram Http Bookingritzcarlton Info Ford Pats Wiring Diagram Mustang Engine 2000 Ford Mustang Ford Ranger. According to my wiring diagrams the fuel pump relay energizing coil. Ford Pats System Wiring Diagram To properly read a cabling diagram one provides to learn how the particular components within the method operate.

FORD PATS fault codes. This video demonstrates the Ford Fusion Complete Wiring Diagrams and details of the wiring harness. Diagrams for the following systems are included.

Automatic AC Circuit 7. Ford tractor starter solenoid wiring diagramIt shows the components of the circuit as simplified shapes and the capability and signal friends surrounded by the devices. System Wiring Diagrams Ford - Taurus PAVLIN Fig.

Transmission Ford Explorer Sport 2002 System Wiring Diagrams For Cars. I have a 98 ford explorer xlt which i need the wiring schematics for white connectors 4 side by side female. Ford pats system wiring diagram.

B1213Less than 2 or 3 if equipped wValet key keys programmed to the system. FORD ROTUNDA ILCO STRATTEC HUF AND VALEO.

Pats Wiring Schematic Ford F150 Forum Community Of Ford Truck Fans

Pats Wiring Schematic Ford F150 Forum Community Of Ford Truck Fans

Pats Wiring Schematics Ford Power Stroke Nation

Pats Wiring Schematics Ford Power Stroke Nation

No Crank No Start Ford Ricks Free Auto Repair Advice Ricks Free Auto Repair Advice Automotive Repair Tips And How To

No Crank No Start Ford Ricks Free Auto Repair Advice Ricks Free Auto Repair Advice Automotive Repair Tips And How To

Bypass Pats System Ford Ranger 4 In 2021 Ford Ranger Ford Focus Rs Ford

Bypass Pats System Ford Ranger 4 In 2021 Ford Ranger Ford Focus Rs Ford

Solved I Need A Wiring Diagram For A 2002 Ford Explorer Fixya

Solved I Need A Wiring Diagram For A 2002 Ford Explorer Fixya

I M In Need Of The Wiring Diagram For The Pats Transceiver For 98 Mustang

I M In Need Of The Wiring Diagram For The Pats Transceiver For 98 Mustang

Ford Pats Bypass Pdf Pdf Lincoln Motor Company Ford Motor Company

Ford Pats Bypass Pdf Pdf Lincoln Motor Company Ford Motor Company

Anti Theft Ford Expedition 1997 System Wiring Diagrams Wiring Diagrams For Cars

Anti Theft Ford Expedition 1997 System Wiring Diagrams Wiring Diagrams For Cars

Ford Taurus Service Manual Anti Theft Passive Anti Theft System Pats Without Intelligent Access Ia Electronic Feature Group Electrical

Ford Taurus Service Manual Anti Theft Passive Anti Theft System Pats Without Intelligent Access Ia Electronic Feature Group Electrical

Bypass Pats System Ford Ranger 1 Ford Ranger Ford Ranger

Bypass Pats System Ford Ranger 1 Ford Ranger Ford Ranger

Ford Pats Bypass Pdf Pdf Lincoln Motor Company Ford Motor Company

Ford Pats Bypass Pdf Pdf Lincoln Motor Company Ford Motor Company

Ford Taurus Service Manual Anti Theft Passive Anti Theft System Pats Without Intelligent Access Ia Electronic Feature Group Electrical

Ford Taurus Service Manual Anti Theft Passive Anti Theft System Pats Without Intelligent Access Ia Electronic Feature Group Electrical

Bypass Pats Anti Theft System Anti Theft Light Flashing On The

Bypass Pats Anti Theft System Anti Theft Light Flashing On The

Solved Everything You Wanted To Know About Pats Page 12 Ford Explorer Ford Ranger Forums Serious Explorations

Solved Everything You Wanted To Know About Pats Page 12 Ford Explorer Ford Ranger Forums Serious Explorations

Anti Theft Ford Mustang Gt 1997 System Wiring Diagrams Wiring Diagrams For Cars

Anti Theft Ford Mustang Gt 1997 System Wiring Diagrams Wiring Diagrams For Cars

I Have A 01 Navigator And Im Looking For The Pats Module So I Can Test The Wires

I Have A 01 Navigator And Im Looking For The Pats Module So I Can Test The Wires

Pats As I See It Ford Explorer Ford Ranger Forums Serious Explorations

Pats As I See It Ford Explorer Ford Ranger Forums Serious Explorations

Wiring Diagram Diagnostics 1 2003 Ford F 150 No Start Theft Light Flashing Youtube

Wiring Diagram Diagnostics 1 2003 Ford F 150 No Start Theft Light Flashing Youtube

Pats Wiring Schematic Ford F150 Forum Community Of Ford Truck Fans

Pats Wiring Schematic Ford F150 Forum Community Of Ford Truck Fans

Jesse Vilchiz Jessevilchiz304 Profile Pinterest

Jesse Vilchiz Jessevilchiz304 Profile Pinterest

Ford Pats Transceiver Wiring Ford Truck Enthusiasts Forums

Ford Pats Transceiver Wiring Ford Truck Enthusiasts Forums

April 2015 Auto1diagnostic 831 272 2261

April 2015 Auto1diagnostic 831 272 2261

Caralarm Com

Caralarm Com

Pats

Pats

What Controls The Injectors Ford Explorer Ford Ranger Forums Serious Explorations

What Controls The Injectors Ford Explorer Ford Ranger Forums Serious Explorations

Pats Wiring Up Puma Engine Passionford Ford Focus Escort Rs Forum Discussion

Pats Wiring Up Puma Engine Passionford Ford Focus Escort Rs Forum Discussion

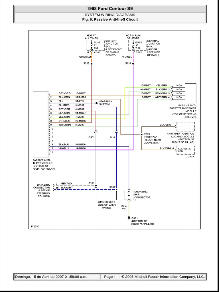
Pats Contour Pdf

Pats Contour Pdf

Where Do I Find The Pats Connector On A 2010 F150

Where Do I Find The Pats Connector On A 2010 F150

Passive Anti Theft System Pats

Passive Anti Theft System Pats

Solved Where Is The Pats Module On 2008 Ford F350 Fixya

Solved Where Is The Pats Module On 2008 Ford F350 Fixya

Ford Powercode Pats Bypass

Ford Powercode Pats Bypass

Brake Sensor Ford Kuga 2011 1 G Wiring Diagram User Guide 655 Pages

Brake Sensor Ford Kuga 2011 1 G Wiring Diagram User Guide 655 Pages

Pats Key Transceiver Wiring Electrical Escortevolution Co Uk

Pats Key Transceiver Wiring Electrical Escortevolution Co Uk

My Focus Is Sick Pats Wiring Placement Focus Fanatics Forum

My Focus Is Sick Pats Wiring Placement Focus Fanatics Forum

Part 2 Starter Motor Circuit Diagram 1992 1993 Ford E150 E250 E350

Part 2 Starter Motor Circuit Diagram 1992 1993 Ford E150 E250 E350

Bypass Pats Anti Theft System Anti Theft Light Flashing On The

Bypass Pats Anti Theft System Anti Theft Light Flashing On The

Pats Wiring Schematic Ford F150 Forum Community Of Ford Truck Fans

Pats Wiring Schematic Ford F150 Forum Community Of Ford Truck Fans

Ford Pats Antitheft System Ricks Free Auto Repair Advice Ricks Free Auto Repair Advice Automotive Repair Tips And How To

Ford Pats Antitheft System Ricks Free Auto Repair Advice Ricks Free Auto Repair Advice Automotive Repair Tips And How To

Ford Pats Bypass Wiring Color Chart Expedition 97 98 Ford Contour Ford Car Audio Installation

Ford Pats Bypass Wiring Color Chart Expedition 97 98 Ford Contour Ford Car Audio Installation

Diagnosis And Testing The Mustang Source

Diagnosis And Testing The Mustang Source

Pats Wiring Schematics Ford Power Stroke Nation

Pats Wiring Schematics Ford Power Stroke Nation

Need Pats Help On 93 Ranger Swap The Ranger Station

Need Pats Help On 93 Ranger Swap The Ranger Station

Ford Pats Transceiver Wiring Ford Truck Enthusiasts Forums

Ford Pats Transceiver Wiring Ford Truck Enthusiasts Forums

Ut Explorer 2001 03 Page 1 Of 30

Ut Explorer 2001 03 Page 1 Of 30

Does Pats Disable The Voltage To The Fuel Pump Ford Explorer Ford Ranger Forums Serious Explorations

Does Pats Disable The Voltage To The Fuel Pump Ford Explorer Ford Ranger Forums Serious Explorations

Wiring Diagram Diagnostics 2 2005 Ford F 150 Crank No Start Youtube

Wiring Diagram Diagnostics 2 2005 Ford F 150 Crank No Start Youtube

Modular Pats Question Factory Five Racing Forum

Modular Pats Question Factory Five Racing Forum

Ford Taurus Service Manual Anti Theft Passive Anti Theft System Pats Without Intelligent Access Ia Electronic Feature Group Electrical

Ford Taurus Service Manual Anti Theft Passive Anti Theft System Pats Without Intelligent Access Ia Electronic Feature Group Electrical

1

1

System Wiring Diagrams Ford - Taurus PAVLIN Fig.

Ford Pats System Wiring Diagram wiring diagram is a simplified agreeable pictorial representation of an electrical circuit. I believe 1998 and newer fords with PATS used PATSII system in which the key memory was stored in the PCM itself and not within a separate module. Its a passive system because it doesnt require any input from the driver. The battery starter and solenoid must all be grounded to the chassis which completes the circuits via the heavy gauge black battery cable. Make models pats ecu 2 ford fiesta fusion eu 2002 ipc fiesta fusion eu 2008 uds ipc transit 2006 uds bcm transit connect 2007 ipc. 2002 ford explorer stereo wiring my two rear power windows diagram cer harness door locks sport trac ignition fuel pump horn 1992 diagrams distribution seat window issues the f87f 19b132 front electrical circuit transmission dashboard four wheel drive switch f250 headlight. Refer to the following PATS Diagnostic Charts andTHE ONLY FORD QUALIFIED PATS KEYS ARE text for tips on servicing customer PATS concernsTHOSE MANUFACTURED BY. New Bmw E46 Pdc Wiring Diagram Diagram Diagramtemplate Diagramsample Sony Car Stereo Car Stereo Car Stereo Systems. B1342ECU is defective EEPROM in PCM is not working- replace PCM.


Ford Pats Wiring Diagram Http Bookingritzcarlton Info Ford Pats Wiring Diagram Mustang Engine 2000 Ford Mustang Ford Ranger. We are getting a code for this and we dont have a diagram on this wiring system so we need taht diagram urgent. By continuing to use this site you consent to the use of cookies on your device as described in our cookie policy unless you have disabled them. Find great deals on eBay for. B1232B2103Transceiver internal antenna damagedReplace transceiver. 60 New 2000 Ford Mustang Radio Wiring Diagram Ford Explorer Ford Expedition 2000 Ford Mustang. A wiring diagram usually gives guidance more or less the relative approach and pact of devices.

Post a Comment for "Ford Pats System Wiring Diagram"